Product Summary
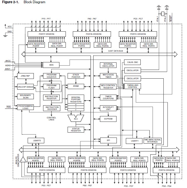
The ATMEGA128A-AU is designed as one kind of low-power CMOS 8-bit microcontroller that achieves throughputs approaching 1 MIPS per MHz allowing the system designer to optimize power consumption versus processing speed. This device is manufactured using Atmel’s high-density nonvolatile memory technology, and is supported with a full suite of program and system development tools including: C compilers, macro assemblers, program debugger / simulators, in-circuit emulators, and evaluation kits.
Parametrics
Absolute maximum ratings: (1)Operating Temperature: -55℃ to +125℃; (2)Storage Temperature: -65℃ to +150℃; (3)Voltage on any Pin except RESET with respect to Ground: -0.5V to VCC+0.5V; (4)Voltage on RESET with respect to Ground: -0.5V to +13.0V; (5)Maximum Operating Voltage: 6.0V; (6)DC Current per I/O Pin: 40.0 mA; (7)DC Current VCC and GND Pins: 200.0 - 400.0 mA.
Features
Features:(1)high-performance, low-power 8-bit microcontroller;(2)133 powerful instructions - most single clock cycle execution;(3)32 x 8 general purpose working registers + peripheral control registers;(4)up to 16 MIPS throughput at 16 MHz;(5)128K bytes of in-system self-programmable flash program memory;(6)write/erase cycles: 10,000 flash/100,000 EEPROM;(7)up to 64K bytes optional external memory space;(8)programming lock for software security;(9)SPI interface for in-system programming;(10)two 8-bit timer/counters with separate prescalers and compare modes;(11)6 PWM channels with programmable resolution from 2 to 16 bits;(12)real time counter with separate oscillator;(13)output compare modulator.
Diagrams

| Image | Part No | Mfg | Description | ![]()  | 
                            Pricing (USD)  | 
                            Quantity | ||||||||||||
|---|---|---|---|---|---|---|---|---|---|---|---|---|---|---|---|---|---|---|
![]()  | 
                            ![]() ATmega128A-AU  | 
                            ![]() Atmel  | 
                            ![]() 8-bit Microcontrollers (MCU) 128K Flash 4K EEPROM 4K SRAM 53 IO Pins  | 
                            ![]() Data Sheet  | 
                            ![]() 
  | 
                            
                            	 | 
                      ||||||||||||
![]()  | 
                            ![]() ATMEGA128A-AUR  | 
                            ![]() Atmel  | 
                            ![]() 8-bit Microcontrollers (MCU) AVR 128K FLSH-16MHz IND TEMP 5V  | 
                            ![]() Data Sheet  | 
                            ![]() 
  | 
                            
                            	 | 
                      ||||||||||||
 (China (Mainland)) 
                         
                        
                                    








