Product Summary
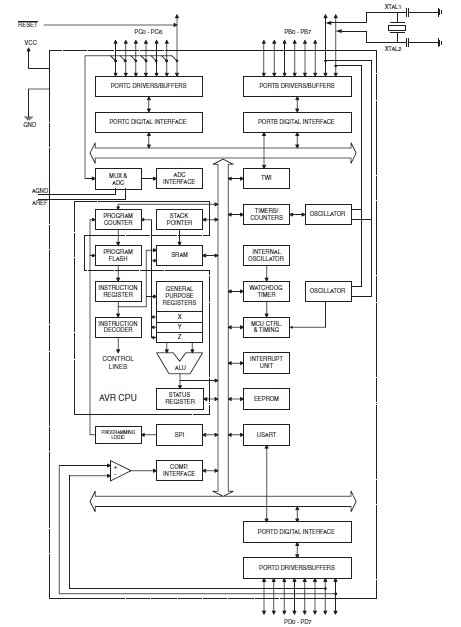
The ATMEGA8-16AU is a low-power CMOS 8-bit microcontroller based on the AVR RISC architecture. By executing powerful instructions in a single clock cycle, the ATMEGA8-16AU achieves throughputs approaching 1 MIPS per MHz, allowing the system designer to optimize power consumption versus processing speed.
Parametrics
Absolute maximum ratings: (1)operating temperature:-55℃ to +125℃;(2)storage temperature:-65℃ to +150℃;(3)voltage on any pin except RESET with respect to ground: -0.5V to Vcc+0.5V;(4)voltage on RESET with respect to ground:-0.5V to +13.0V;(5)maximum operating voltage:6.0 V;(6)DC current per I/O pin:40.0 mA;(7)DC current Vcc and GND pins:300.0 mA.
Features
Features:(1)High-performance, Low-power AVR 8-bit Microcontroller; (2)Advanced RISC Architecture; (3)Nonvolatile Program and Data Memories; (4)Peripheral Features; (5)Two 8-bit Timer/Counters with Separate Prescaler, one Compare Mode; (6)One 16-bit Timer/Counter with Separate Prescaler, Compare Mode, and Capture Mode; (7)Real Time Counter with Separate Oscillator; (8)Three PWM Channels; (9)8-channel ADC in TQFP and QFN/MLF package: Eight Channels 10-bit Accuracy; (10)6-channel ADC in PDIP package: Eight Channels 10-bit Accuracy; (11)Power-on Reset and Programmable Brown-out Detection; (12)Internal Calibrated RC Oscillator; (13)External and Internal Interrupt Sources; (14)Five Sleep Modes: Idle, ADC Noise Reduction, Power-save, Power-down, and Standby.
Diagrams

| Image | Part No | Mfg | Description | ![]() |
Pricing (USD) |
Quantity | ||||||||||||
|---|---|---|---|---|---|---|---|---|---|---|---|---|---|---|---|---|---|---|
![]() |
![]() ATmega8-16AU |
![]() Atmel |
![]() 8-bit Microcontrollers (MCU) 8kB Flash 0.5kB EEPROM 23 I/O Pins |
![]() Data Sheet |
![]()
|
|
||||||||||||
![]() |
![]() ATMEGA8-16AUR |
![]() Atmel |
![]() 8-bit Microcontrollers (MCU) AVR 8KB FLSH 512B EE 1KB SRAM-16MHz, IND |
![]() Data Sheet |
![]()
|
|
||||||||||||
(China (Mainland))










