Product Summary
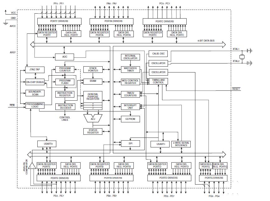
The ATMEGA64A-MU is a low-power CMOS 8-bit microcontroller based on the AVR enhanced RISC architecture. By executing powerful instructions in a single clock cycle, the ATMEGA64A-MU achieves throughputs approaching 1 MIPS per MHz, allowing the system designer to optimize power consumption versus processing speed.
Parametrics
ATMEGA64A-MU absolute maximum ratings: (1)Operating Temperature: -55℃ to +125℃; (2)Storage Temperature: -65℃ to +150℃; (3)Voltage on any Pin except RESET with respect to Ground : -0.5V to VCC+0.5V; (4)Voltage on RESET with respect to Ground: -0.5V to +13.0V; (5)Maximum Operating Voltage: 6.0V; (6)DC Current per I/O Pin: 40.0 mA; (7)DC Current VCC and GND Pins: 200.0mA - 400.0mA.
Features
ATMEGA64A-MU features: (1)Two 8-bit Timer/Counters with Separate Prescalers and Compare Modes; (2)Two Expanded 16-bit Timer/Counters with Separate Prescaler, Compare Mode, and Capture Mode ; (3)Real Time Counter with Separate Oscillator; (4)Two 8-bit PWM Channels; (5)6 PWM Channels with Programmable Resolution from 1 to 16 Bits; (6)8-channel, 10-bit ADC; (7)8 Single-ended Channels; (8)7 Differential Channels; (9)2 Differential Channels with Programmable Gain (1x, 10x, 200x); (10)Byte-oriented Two-wire Serial Interface; (11)Dual Programmable Serial USARTs; (12)Master/Slave SPI Serial Interface; (13)Programmable Watchdog Timer with On-chip Oscillator; (14)On-chip Analog Comparator.
Diagrams

| Image | Part No | Mfg | Description | ![]() |
Pricing (USD) |
Quantity | ||||||||
|---|---|---|---|---|---|---|---|---|---|---|---|---|---|---|
![]() |
![]() ATMEGA64A-MU |
![]() Atmel |
![]() 8-bit Microcontrollers (MCU) 64K Flsh 2K EEPROM 4K SRAM 16MHz |
![]() Data Sheet |
![]()
|
|
||||||||
![]() |
![]() ATMEGA64A-MUR |
![]() Atmel |
![]() 8-bit Microcontrollers (MCU) AVR 64KB FLSH 2KB EE 4KB SRAM-16MHz, IND |
![]() Data Sheet |
![]()
|
|
||||||||
(China (Mainland))









