Product Summary
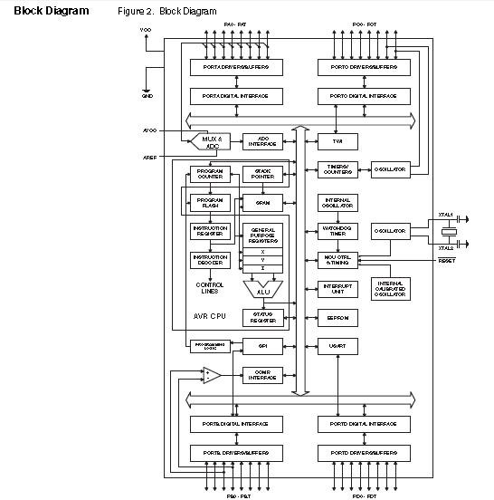
The ATMEGA32L-8AU is a low-power CMOS 8-bit microcontroller based on the AVR enhanced RISC architecture. By executing powerful instructions in a single clock cycle, the ATMEGA32L-8AU achieves throughputs approaching 1 MIPS per MHz allowing the system designer to optimize power consumption versus processing speed.
Parametrics
ATMEGA32L-8AU absolute maximum ratings: (1)Voltage on any Pin except RESET with respect to Ground:-0.5V to VCC+0.5V; (2)Voltage on RESET with respect to Ground:-0.5V to +13.0V; (3)Maximum Operating Voltage:6.0V; (4)DC Current per I/O Pin:40.0 mA; (5)DC Current VCC and GND Pins:200.0 mA and 400.0 mA TQFP/MLF; (6)Operating Temperature:-55℃ to +125℃; (7)Storage Temperature:-65℃ to +150℃.
Features
ATMEGA32L-8AU features: (1)High-performance, Low-power AVR 8-bit Microcontroller; (2)Advanced RISC Architecture; (3)Two 8-bit Timer/Counters with Separate Prescalers and Compare Modes; (4)One 16-bit Timer/Counter with Separate Prescaler, Compare Mode, and Capture Mode; (5)Real Time Counter with Separate Oscillator; (6)Four PWM Channels; (7)8-channel, 10-bit ADC; (8)Byte-oriented Two-wire Serial Interface; (9)Programmable Serial USART; (10)Master/Slave SPI Serial Interface; (11)Programmable Watchdog Timer with Separate On-chip Oscillator; (12)On-chip Analog Comparator; (13)Power-on Reset and Programmable Brown-out Detection; (14)Internal Calibrated RC Oscillator; (15)External and Internal Interrupt Sources; (16)Six Sleep Modes: Idle, ADC Noise Reduction, Power-save, Power-down, Standby and Extended Standby.
Diagrams

| Image | Part No | Mfg | Description | ![]() |
Pricing (USD) |
Quantity | ||||||||||||
|---|---|---|---|---|---|---|---|---|---|---|---|---|---|---|---|---|---|---|
![]() |
![]() ATmega32L-8AU |
![]() Atmel |
![]() 8-bit Microcontrollers (MCU) 32kB Flash 1kB EEPROM 32 I/O Pins |
![]() Data Sheet |
![]()
|
|
||||||||||||
![]() |
![]() ATMEGA32L-8AUR |
![]() Atmel |
![]() 8-bit Microcontrollers (MCU) AVR 32K FLSH 2K SRAM 1KB EE-8MHz IND |
![]() Data Sheet |
![]()
|
|
||||||||||||
(China (Mainland))










