Product Summary
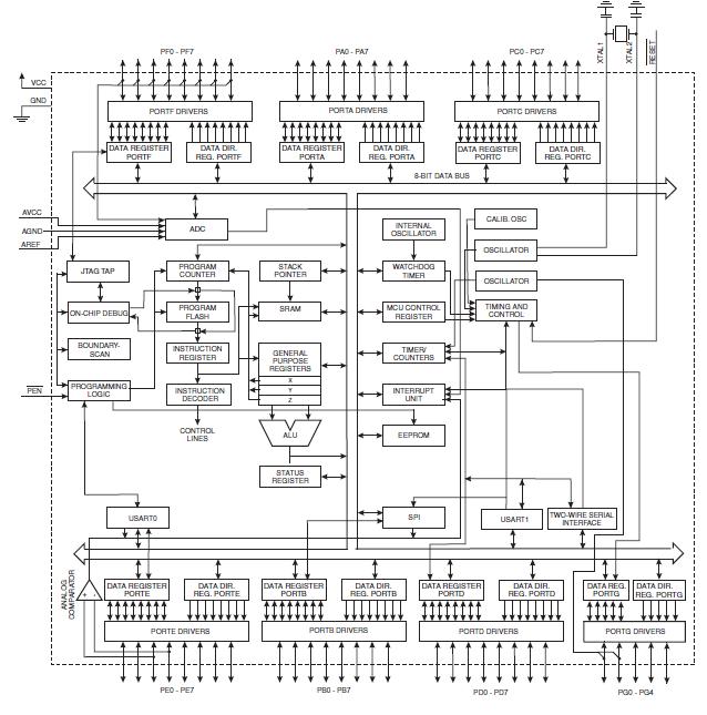
The ATMEGA128A-MU is a low-power CMOS 8-bit microcontroller based on the AVR enhanced RISC architecture. By executing powerful instructions in a single clock cycle, the ATMEGA128A-MU achieves throughputs approaching 1MIPS per MHz allowing the system designer to optimize power consumption versus processing speed.
Parametrics
ATMEGA128A-MU absolute maximum ratings: (1)Flash (Kbytes): 128 Kbytes; (2)Pin Count: 64; (3)Max. Operating Frequency: 16 MHz; (4)CPU: 8-bit AVR ; (5)Hardware QTouch Acquisition: No; (6)Max I/O Pins: 53; (7)Ext Interrupts: 8; (8)Temp. Range: -40℃ to 85℃.
Features
ATMEGA128A-MU features: (1)High Endurance Non-volatile Memory segments; (2)128KBytes of In-System Self-programmable Flash program memory; (3)4KBytes EEPROM; (4)4KBytes Internal SRAM; (5)Write/Erase cycles: 10,000 Flash/100,000 EEPROM; (6)Data retention: 20 years at 85℃/100 years at 25℃; (7)Optional Boot Code Section with Independent Lock Bits; (8)In-System Programming by On-chip Boot Program; (9)True Read-While-Write Operation; (10)Up to 64KBytes Optional External Memory Space; (11)Programming Lock for Software Security; (12)SPI Interface for In-System Programming.
Diagrams

| Image | Part No | Mfg | Description | ![]() |
Pricing (USD) |
Quantity | ||||||||
|---|---|---|---|---|---|---|---|---|---|---|---|---|---|---|
![]() |
![]() ATmega128A-MU |
![]() Atmel |
![]() 8-bit Microcontrollers (MCU) 128K Flash 4K EEPROM 4K SRAM 53 IO Pins |
![]() Data Sheet |
![]()
|
|
||||||||
![]() |
![]() ATMEGA128A-MUR |
![]() Atmel |
![]() 8-bit Microcontrollers (MCU) AVR 128K FLSH-16MHz IND TEMP 5V |
![]() Data Sheet |
![]()
|
|
||||||||
(China (Mainland))









