Product Summary
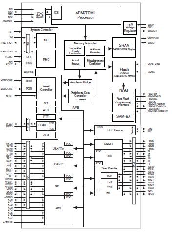
The AT91SAM7S256-AU-001 is a member of the series of low pincount Flash microcontrollers based on the 32-bit ARM RISC processor. The AT91SAM7S256-AU-001 features a high-speed Flash and an SRAM, a large set of peripherals, including a USB 2.0 device, and a complete set of system functions minimizing the number of external components. The AT91SAM7S256-AU-001 is an ideal migration path for 8-bit microcontroller users looking for additional performance and extended memory.
Parametrics
AT91SAM7S256-AU-001 absolute maximum ratings: (1)Operating Temperature: -40℃ to + 85℃ ; (2)Storage Temperature: -60℃ to + 150℃; (3)Voltage on Input Pins with Respect to Ground: -0.3V to + 5.5V; (4)Maximum Operating Voltage: 2.0V; (5)Maximum Operating Voltage: 4.0V; (6)Total DC Output Current on all I/O lines 48-lead LQFP/QFN package: 100 mA; (7)64-lead LQFP/QFN package: 150 mA.
Features
AT91SAM7S256-AU-001 features: (1)512 Kbytes (SAM7S512) Organized in Two Contiguous Banks of 1024 Pages of 256 Bytes; (2)256 Kbytes (SAM7S256) Organized in 1024 Pages of 256 Bytes; (3)128 Kbytes (SAM7S128) Organized in 512 Pages of 256 Bytes; (4)64 Kbytes (SAM7S64) Organized in 512 Pages of 128 Bytes; (5)32 Kbytes (SAM7S321/32) Organized in 256 Pages of 128 Bytes; (6)16 Kbytes (SAM7S161/16) Organized in 256 Pages of 64 Bytes; (7)Single Cycle Access at Up to 30 MHz in Worst Case Conditions; (8)Prefetch Buffer Optimizing Thumb Instruction Execution at Maximum Speed; (9)Page Programming Time: 6 ms, Including Page Auto-erase, Full Erase Time: 15 ms; (10)10,000 Write Cycles, 10-year Data Retention Capability, Sector Lock Capabilities, Flash Security Bit; (11)Fast Flash Programming Interface for High Volume Production.
Diagrams

| Image | Part No | Mfg | Description | ![]() |
Pricing (USD) |
Quantity | ||||
|---|---|---|---|---|---|---|---|---|---|---|
![]() |
![]() AT91SAM7S256-AU-001 |
![]() Atmel |
![]() ARM Microcontrollers (MCU) 256kB Flash 64kB SRAM 55MHz 4 PWM |
![]() Data Sheet |
![]() Negotiable |
|
||||
| Image | Part No | Mfg | Description | ![]() |
Pricing (USD) |
Quantity | ||||
![]() |
![]() AT91C140 |
![]() Other |
![]() |
![]() Data Sheet |
![]() Negotiable |
|
||||
![]() |
![]() AT91CAP7A-DK18 |
![]() Atmel |
![]() Emulators / Simulators EMULATION CARD |
![]() Data Sheet |
![]() Negotiable |
|
||||
![]() |
![]() AT91CAP7A-DK33 |
![]() Atmel |
![]() Emulators / Simulators EMULATION CARD |
![]() Data Sheet |
![]() Negotiable |
|
||||
![]() |
![]() AT91CAP7A-NA-STK |
![]() Atmel |
![]() Development Boards & Kits - ARM ARM7-based CAP Starter Kit |
![]() Data Sheet |
![]() Negotiable |
|
||||
![]() |
![]() AT91CAP7A-STK |
![]() Atmel |
![]() Development Boards & Kits - ARM ARM7 -based CAP Starter Kit |
![]() Data Sheet |
![]() Negotiable |
|
||||
![]() |
![]() AT91CAP7E-NA-ZJ |
![]() Atmel |
![]() ARM Microcontrollers (MCU) CAP7 EMULATION DEVIC |
![]() Data Sheet |
![]() Negotiable |
|
||||
(China (Mainland))











