Product Summary
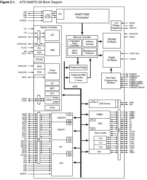
The AT91SAM7S128-AU is a member of a series of low pincount Flash microcontrollers based on the 32-bit ARM RISC processor. It features a 128 Kbyte high-speed Flash and a 32 Kbyte SRAM, a large set of peripherals, including a USB 2.0 device, and a complete set of system functions minimizing the number of external components. The device is an ideal migration path for 8-bit microcontroller users looking for additional performance and extended memory.
Parametrics
Absolute maximum ratings: (1)Operating Temperature (Industrial): -40℃ to +85℃; (2)Storage Temperature: -60℃ to +150℃; (3)Voltage on Input Pins with Respect to Ground: -0.3V to +5.5V; (4)Maximum Operating Voltage (VDDCORE, and VDDPLL): 1.95V; (5)Maximum Operating Voltage (VDDIO, VDDIN and VDDFLASH): 3.6V; (6)Total DC Output Current on all I/O lines: 150 mA.
Features
Features: (1)Incorporates the ARM7TDMI ARM Thumb Processor; (2)128 Kbytes of Internal High-speed Flash, Organized in 512 Pages of 256 Bytes; (3)32 Kbytes of Internal High-speed SRAM, Single-cycle Access at Maximum Speed; (4)Memory Controller (MC); (5)Reset Controller (RSTC); (6)Eleven Peripheral DMA Controller (PDC) Channels; (7)One USB 2.0 Full Speed (12 Mbits per second) Device Port; (8)One 8-channel 10-bit Analog-to-Digital Converter, Four Channels Multiplexed with Digital I/Os; (9)IEEE 1149.1 JTAG Boundary Scan on All Digital Pins; (10)5V-tolerant I/Os, including Four High-current Drive I/O lines, Up to 16 mA Each.
Diagrams

| Image | Part No | Mfg | Description | ![]() |
Pricing (USD) |
Quantity | ||||
|---|---|---|---|---|---|---|---|---|---|---|
![]() |
![]() AT91SAM7S128-AU-001 |
![]() Atmel |
![]() ARM Microcontrollers (MCU) LQFP IND TEMP |
![]() Data Sheet |
![]() Negotiable |
|
||||
![]() |
![]() AT91SAM7S128-AU-999 |
![]() Atmel |
![]() ARM Microcontrollers (MCU) Ind. Temp Green |
![]() Data Sheet |
![]() Negotiable |
|
||||
(China (Mainland))









