Product Summary
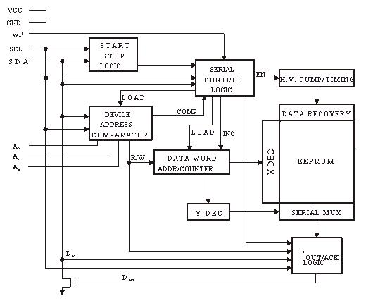
The AT24C02C-PUM is a Programmable Read-only Memory, and it provides 2048-bits of serial electrically erasable and programmable read-only memory (EEPROM) organized as 256-words of 8-bits each. The device is optimized for use in many industrial and commercial applications where lowpower and low-voltage operation are essential. The AT24C02C-PUM is available in spacesaving 8-lead PDIP, 8-lead TSSOP, 8-lead JEDEC SOIC, 8-lead UDFN, 5-lead SOT23 and 8-ball VFBGA packages and is accessed via a two-wire serial interface.
Parametrics
AT24C02C-PUM absolute maximum ratings: (1)Operating Temperature: –55℃ to +125℃; (2)Storage Temperature: –65℃ to +150℃; (3)Voltage on Any Pin with Respect to Ground: –1.0V to +7.0V; (4)Maximum Operating Voltage: 6.25V; (5)DC Output Current: 5.0 mA.
Features
AT24C02C-PUM features: (1)Internally Organized 256 x 8 (2K); (2)Two-wire Serial Interface; (3)Schmitt Trigger, Filtered Inputs for Noise Suppression; (4)Bidirectional Data Transfer Protocol; (5)1MHz (5V), 400kHz (1.7V, 2.5V, 2.7V) Compatibility; (6)Write Protect Pin for Hardware Data Protection; (7)8-byte Page (2K) Write Modes; (8)Partial Page Writes Allowed; (9)Self-timed Write Cycle (5ms max); (10)Green (Pb/Halide-free/RoHS Compliant) Package Options; (11)Die Sales: Wafer Form and Tape and Reel.
Diagrams

| Image | Part No | Mfg | Description | ![]() |
Pricing (USD) |
Quantity | ||||||||||||
|---|---|---|---|---|---|---|---|---|---|---|---|---|---|---|---|---|---|---|
![]() |
![]() AT24C02C-PUM |
![]() Atmel |
![]() EEPROM 2K (256x8) 2-WIRE 1.8V, MATT-TIN |
![]() Data Sheet |
![]()
|
|
||||||||||||
| Image | Part No | Mfg | Description | ![]() |
Pricing (USD) |
Quantity | ||||||||||||
![]() |
![]() AT24C |
![]() Other |
![]() |
![]() Data Sheet |
![]() Negotiable |
|
||||||||||||
![]() |
![]() AT24C01 |
![]() Other |
![]() |
![]() Data Sheet |
![]() Negotiable |
|
||||||||||||
![]() |
![]() AT24C01-10PC |
![]() Atmel |
![]() IC SEEPROM 1K 8DIP |
![]() Data Sheet |
![]() Negotiable |
|
||||||||||||
![]() |
![]() AT24C01-10PC-1.8 |
![]() Atmel |
![]() IC SEEPROM 1K 1.8V 8DIP |
![]() Data Sheet |
![]() Negotiable |
|
||||||||||||
![]() |
![]() AT24C01-10PC-2.5 |
![]() Atmel |
![]() IC SEEPROM 1K 2.5V 8DIP |
![]() Data Sheet |
![]() Negotiable |
|
||||||||||||
![]() |
![]() AT24C01-10PC-2.7 |
![]() Atmel |
![]() IC SEEPROM 1K 2.7V 8DIP |
![]() Data Sheet |
![]() Negotiable |
|
||||||||||||
(China (Mainland))











